C型单柱液压机(Y41)
首页 » 产品展示 » 液压机 » 单柱液压机 » C型单柱液压机(Y41)

类别清单

相关新闻

内容为空!

loading

分享到:

C型单柱液压机(Y41)

数量:
  • Y41

  • 液压

  • 普通精度

  • CE,ISO 9001

  • TSD

  • 按带有软膜层的容器

  • Y41

  • 中国

  • 8462919000

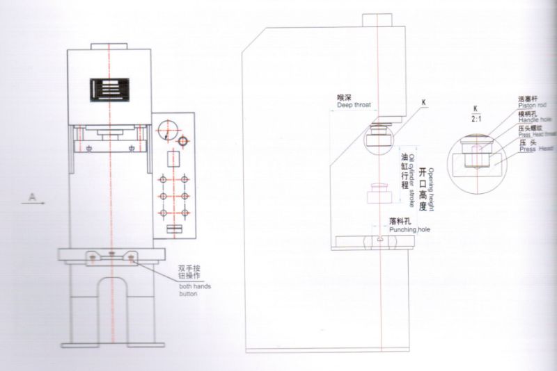
设备描绘的是为长的工作表深深喉头、宽提供的嘴,迅速速度,方便提供和释放,准确和可靠处理,多种功能和容易的运算。 它是用途广泛在新闻挂接,归档的调直,图画和机械制造的弯曲的进程,是不可缺少的设备到自动区,设计机械、铁路机车、冶金学、电、石油机械和航空平面行业
                                                                                                                                                                                                                                                                                                                                                                                                                                                                                                                                                                                                   
   
               类型
名字
Y41-200/1400*4000Y41-300/1400*4000Y41-315/1800*1800Y41-400/1800*1800Y41-630/1500*1800Y41-630/1800*2000Y41-800/2000*2500Y41-1000/12000*2500




公称压力(KN)200030003150400063006300800010000

表宽度(L-R
0 (mm)
40004000180018001800200025002500

表宽度(F-B) (mm)1400140015001500150080020002000



最大空缺数目高度(mm)15001800150015001500150015001500
喉头深度(mm)75075010001300100060015001500
受托代购商冲程(mm)50060080080080050013001300
空中航线压位差速度下行线(mm/sec)808080606060120120
压位差运作的速度(mm/sec)103.787.5336~126 `12
压位差(mm/sec)的回归利率80801007070707474
次幂(kw)2222373737375555
总尺寸(L*W*H)4400*3117*52074394*4080*59002840*5000*53202840*5310*53202840*4500*58002840*4010*49002500*5000*70002500*5000*7500
重量(kg)21500265004000047500600005000085000100000


C被塑造单排水压机(Y41)


在以后销售额服务:
1.Seller通过了ISO9001质量系统认证从那以后 1997和严格地总是执行此质量
   管理系统在我们的公司中和在我们的产品
.

  所有产品,在直接来自工厂严格地被测试了并且是依从技术协议和之前
  标准

2.保修单是一年从B/L日期或者耐用机械最后验收日期。 更长的保修单
   能由这个用户采购。

3.委任: 为耐用机械, Seller发送s 技术人员(电水力&机械)
   引导安装
,测试并且培训运算符从7日到45几天在设备以后  
   伸手可及的距离
ES工厂用户。 但是往返飞机票局部便利设施和折让
  (USD100/person
·日)用户's国家(地区)将由负担Buyer。 上述索价不是
   包括在
聘用. 此子句在这个合同将显示

3. 为中间和小的标准机械,根据操作手册运行是容易的。 用户是
   首先建议仔细读操作手册,然后启动设备。 任何不清楚的问题,
感受
   释放与卖主联系。  

   如果用户坚持提供技术支持在使用's工厂,请参见No.2子句售后
   服务

4. 卖主的所有产品可以由直接来自工厂的编号跟踪。 备件可以被供应同前面一样,
   哪些为客户是有用的
' 特殊设计要求

5.可以供应可消耗的零件免费客户在一年内保修单B/L日期
   长期技术顾问服务
是可用的.

6.公用故障可能由E-mail,电话解决,并且长途录影诊断。User必须充分供应
   若可能故障说明、清楚的照片和录影。

   一旦严重的质量问题看上去由于Seller的制造原因在一年内从那以后
   
B/L日期或者耐用机械最后验收日期。 TSeller将发送他们技术人员到维修服务它。

7. 在一份年保修单以后,卖主将提供自由技术咨询和备件 零件并且技术人员
   
服务在最低价.

上一条: 
下一条: 

质量第一,客户至上

TSD的研发中心被评为国家研发中心。我们很高兴收到您的询问,我们将尽快与您联系。
更多

分享它

快速链接

联系我们

电话:+ 86-938-2621183
手机:+ 86-13830852097
总公司麦积市渭滨北路
甘肃省天水区741020
电子邮件:sales@tsdpressbrake.com
GET IN TOUCH
版权所有©天水锻压机床(集团)有限公司网站地图
技术依Leadong