用于矫直和压入的C机架液压机(Y41-25)
首页 » 产品展示 » 液压机 » 单柱液压机 » 用于矫直和压入的C机架液压机(Y41-25)

类别清单

相关新闻

内容为空!

loading

分享到:

用于矫直和压入的C机架液压机(Y41-25)

数量:
  • Y41-25

  • TSD

  • 按带有软膜层的容器

  • Y41-25

  • 中国

  • 8462919000

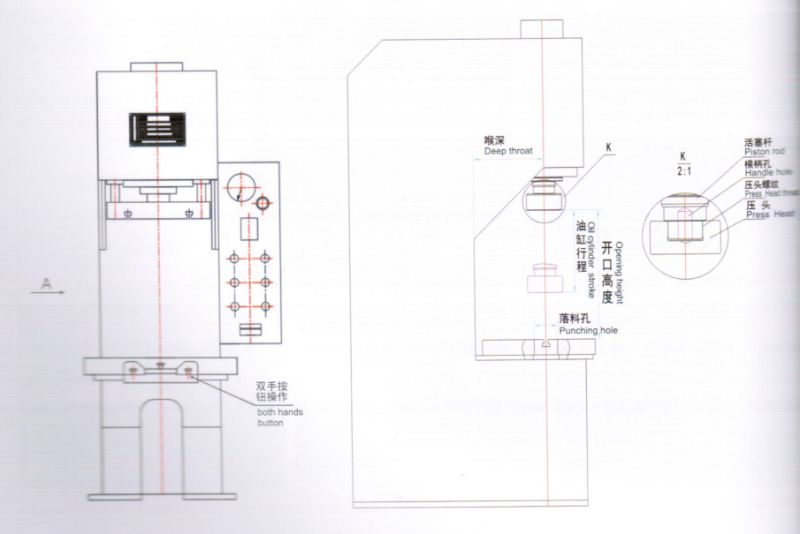
C框架水压机为调直和按在
设计:Y41-25

特性:
-计算机优化垂直的C框架结构与高坚硬
-有吸引力和整洁的外观,与驱动系统在框架里面
-手工方向控制阀门在液压机构采用为容易的速度管理规定
-处理运算或脚蹬运算在运算符的选择
-冲程和压可以在指定的范围之内被调整


选项
-调直表


                                                                                                                                                                                                                                                                                                                                                                                                                                                                                                                                                                                                                                                                                                                                           
技术参数部件Y41-16Y41-25Y41-40Y41-63Y41-100Y41-160Y41-200Y41-315Y41-400
1公称压力kN16025040063010001600200031504000
2Max.hydraulic压kN201616252525252525
3幻灯片冲程Mpa400400400500600700700800800
4白天mm500630630750800900100011001250
5喉头深度mm2503503503204004204508001500
6幻灯片的速度下降mm/s
808012010080808080
18-2018-2018-2018-2015-2010-1210-158-1010-12
返回50757510010070706055
7有效工作面积表L-Rmm50058070071080090090015002000
F-B45057057060070080090015001800
8高度从难倒的工作表mm71071071081080090090014001400
9下降的漏洞直径mm
100100100




10马达次幂kW45.55.57.57.511152222


C框架水压机为调直和按在(Y41-25)

在以后销售额服务:
1. 卖主通过了ISO9001质量系统认证自1997年以来和严格地总是执行此质量
   管理系统在我们的公司中和在我们的产品
  所有产品,在直接来自工厂严格地被测试了并且是依从技术协议和之前
  标准
2.保修单是一年从B/L日期或者耐用机械最后验收日期。 更长的保修单
   能由这个用户采购
3.委任: 为耐用机械,卖主发送技术人员(电子水力&机械)
   引导安装、测试和培训运算符从7日到45日在设备以后  
   到达用户的工厂。 但是往返飞机票、局部便利设施和折让
  (USD100/person·日)在用户的国家(地区)将由采购员负担。 上述索价不是
   包括在聘用。 此子句在这个合同将显示
3. 为中间和小的标准机械,根据操作手册运行是容易的。 用户是
   首先建议仔细读操作手册,然后启动设备。 所有不清楚的问题,请感觉
   释放与卖主联系。  
   如果用户坚持提供技术支持在使用的工厂,请参见No.2子句售后
   为服务
4. 卖主的所有产品可以由直接来自工厂的编号跟踪。 备件可以被供应同前面一样,
   哪些为客户的特殊设计要求是有用的
5.可消耗的零件在一份年保修单之内可以免费被提供给客户从B/L日期,和
   长期技术顾问服务是可用的
6.公用故障可能由E-mail,电话解决,并且长途录影诊断。 用户必须充分供应
   若可能故障说明、清楚的照片和录影。
   一旦严重的质量问题在一年内从那以后看上去由于卖主的制造原因
   B/L日期或耐用机械最后验收日期。 卖主将发送他们的技术人员修理它。
7. 在一份年保修单以后,卖主提供自由技术咨询和备件和技术人员
   服务在最低价。

C框架水压机为调直和按在(Y41-25)
上一条: 
下一条: 

质量第一,客户至上

TSD的研发中心被评为国家研发中心。我们很高兴收到您的询问,我们将尽快与您联系。
更多

分享它

快速链接

联系我们

电话:+ 86-938-2621183
手机:+ 86-13830852097
总公司麦积市渭滨北路
甘肃省天水区741020
电子邮件:sales@tsdpressbrake.com
GET IN TOUCH
版权所有©天水锻压机床(集团)有限公司网站地图
技术依Leadong