内容为空!
Y41-40
TSD
Y41-40
TSD
按带有软膜层的容器
Y41-40
中国
8462919000
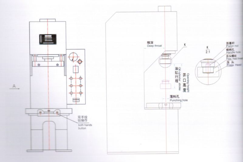
C型机架液压机,用于校直和压入
型号:Y41-40
特点:
-计算机优化的垂直C框架结构,具有高刚性
-美观,整洁的外观,车架内部装有驱动系统
-液压系统采用手动换向阀,方便调节速度
-由操作员选择手柄操作或踏板操作
-行程和压力可在指定范围内调节。
选件
-矫直桌
| 没有。 | 技术参数 | 单元 | Y41-16 | Y41-25 | Y41-40 | Y41-63 | Y41-100 | Y41-160 | Y41-200 | Y41-315 | Y41-400 | |
| 1 | 公称压力 | 千牛 | 160 | 250 | 400 | 630 | 1000 | 1600 | 2000 | 3150 | 4000 | |
| 2 | 最大水压 | 千牛 | 20 | 16 | 16 | 25 | 25 | 25 | 25 | 25 | 25 | |
| 3 | 滑动行程 | 兆帕 | 400 | 400 | 400 | 500 | 600 | 700 | 700 | 800 | 800 | |
| 4 | 日光 | 毫米 | 500 | 630 | 630 | 750 | 800 | 900 | 1000 | 1100 | 1250 | |
| 5 | 喉深 | 毫米 | 250 | 350 | 350 | 320 | 400 | 420 | 450 | 800 | 1500 | |
| 6 | 滑动速度 | 血统 | 毫米/秒 | 80 | 80 | 120 | 100 | 80 | 80 | 80 | 80 | |
| 紧迫 | 18-20 | 18-20 | 18-20 | 18-20 | 15-20 | 10-12 | 10-15 | 8-10 | 10-12 | |||
| 归来 | 50 | 75 | 75 | 100 | 100 | 70 | 70 | 60 | 55 | |||
| 7 | 工作台有效面积 | 左 | 毫米 | 500 | 580 | 700 | 710 | 800 | 900 | 900 | 1500 | 2000 |
| - | 450 | 570 | 570 | 600 | 700 | 800 | 900 | 1500 | 1800 | |||
| 8 | 从工作台到地板的高度 | 毫米 | 710 | 710 | 710 | 810 | 800 | 900 | 900 | 1400 | 1400 | |
| 9 | 落孔直径 | 毫米 | 100 | 100 | 100 | |||||||
| 10 | 电机功率 | 千瓦 | 4 | 5.5 | 5.5 | 7.5 | 7.5 | 11 | 15 | 22 | 22 | |
售后服务:
1.自1997年以来,卖方已通过ISO9001质量体系认证,并且始终严格执行此质量
公司和产品上的管理系统。
出厂前的所有产品均经过严格测试,并符合技术协议和
标准。
2.保修期为自提单日期或重型机械的最终接受日期开始的一年。更长的保修期
可以由用户购买。
3.调试:对于重型机械,卖方派遣技术人员(电动液压和机械)
指导机器安装后7天到45天的安装,测试和培训操作员
到达用户工厂。但是往返机票,当地住宿和津贴
用户所在国家/地区(USD100 /人·天)的负担由买方承担。以上费用不算
包含在报价中。此条款将在合同中显示。
3.对于中小型标准机械,易于按照操作手册进行操作。用户是
首先建议仔细阅读操作手册,然后启动机器。任何不清楚的问题,请感到
免费与卖家联系。
如果用户坚持要在使用工厂提供技术服务,请参阅售后第2条。
服务。
4.可以通过出厂编号跟踪卖方的所有产品。备件供应方式与前者相同,
这有助于满足客户的特殊设计要求。
5.易损件自提单日期起一年内可免费提供给客户,并且
提供长期技术顾问服务。
6.常见故障可以通过电子邮件,电话和远程视频诊断解决。用户必须提供完整的
故障描述,如果可能,清除图片和视频。
由于卖方的制造原因而在一年内出现严重的质量问题
重型机械的提单日期或最终接受日期。卖方将派遣技术人员对其进行维修。
7.一年保修后,卖方将提供免费的技术咨询以及备件和技术人员
以最低的成本提供服务。
C型机架液压机,用于校直和压入
型号:Y41-40
特点:
-计算机优化的垂直C框架结构,具有高刚性
-美观,整洁的外观,车架内部装有驱动系统
-液压系统采用手动换向阀,方便调节速度
-由操作员选择手柄操作或踏板操作
-行程和压力可在指定范围内调节。
选件
-矫直桌
| 没有。 | 技术参数 | 单元 | Y41-16 | Y41-25 | Y41-40 | Y41-63 | Y41-100 | Y41-160 | Y41-200 | Y41-315 | Y41-400 | |
| 1 | 公称压力 | 千牛 | 160 | 250 | 400 | 630 | 1000 | 1600 | 2000 | 3150 | 4000 | |
| 2 | 最大水压 | 千牛 | 20 | 16 | 16 | 25 | 25 | 25 | 25 | 25 | 25 | |
| 3 | 滑动行程 | 兆帕 | 400 | 400 | 400 | 500 | 600 | 700 | 700 | 800 | 800 | |
| 4 | 日光 | 毫米 | 500 | 630 | 630 | 750 | 800 | 900 | 1000 | 1100 | 1250 | |
| 5 | 喉深 | 毫米 | 250 | 350 | 350 | 320 | 400 | 420 | 450 | 800 | 1500 | |
| 6 | 滑动速度 | 血统 | 毫米/秒 | 80 | 80 | 120 | 100 | 80 | 80 | 80 | 80 | |
| 紧迫 | 18-20 | 18-20 | 18-20 | 18-20 | 15-20 | 10-12 | 10-15 | 8-10 | 10-12 | |||
| 归来 | 50 | 75 | 75 | 100 | 100 | 70 | 70 | 60 | 55 | |||
| 7 | 工作台有效面积 | 左 | 毫米 | 500 | 580 | 700 | 710 | 800 | 900 | 900 | 1500 | 2000 |
| - | 450 | 570 | 570 | 600 | 700 | 800 | 900 | 1500 | 1800 | |||
| 8 | 从工作台到地板的高度 | 毫米 | 710 | 710 | 710 | 810 | 800 | 900 | 900 | 1400 | 1400 | |
| 9 | 落孔直径 | 毫米 | 100 | 100 | 100 | |||||||
| 10 | 电机功率 | 千瓦 | 4 | 5.5 | 5.5 | 7.5 | 7.5 | 11 | 15 | 22 | 22 | |
售后服务:
1.自1997年以来,卖方已通过ISO9001质量体系认证,并且始终严格执行此质量
公司和产品上的管理系统。
出厂前的所有产品均经过严格测试,并符合技术协议和
标准。
2.保修期为自提单日期或重型机械的最终接受日期开始的一年。更长的保修期
可以由用户购买。
3.调试:对于重型机械,卖方派遣技术人员(电动液压和机械)
指导机器安装后7天到45天的安装,测试和培训操作员
到达用户工厂。但是往返机票,当地住宿和津贴
用户所在国家/地区(USD100 /人·天)的负担由买方承担。以上费用不算
包含在报价中。此条款将在合同中显示。
3.对于中小型标准机械,易于按照操作手册进行操作。用户是
首先建议仔细阅读操作手册,然后启动机器。任何不清楚的问题,请感到
免费与卖家联系。
如果用户坚持要在使用工厂提供技术服务,请参阅售后第2条。
服务。
4.可以通过出厂编号跟踪卖方的所有产品。备件供应方式与前者相同,
这有助于满足客户的特殊设计要求。
5.易损件自提单日期起一年内可免费提供给客户,并且
提供长期技术顾问服务。
6.常见故障可以通过电子邮件,电话和远程视频诊断解决。用户必须提供完整的
故障描述,如果可能,清除图片和视频。
由于卖方的制造原因而在一年内出现严重的质量问题
重型机械的提单日期或最终接受日期。卖方将派遣技术人员对其进行维修。
7.一年保修后,卖方将提供免费的技术咨询以及备件和技术人员
以最低的成本提供服务。