内容为空!
Y41-63
TSD
Y41-63
630千
700毫米
500毫米
320毫米
560X580毫米
200毫米
7.5千瓦
TSD
按带有软膜层的容器
Y41-63
中国
8462919000
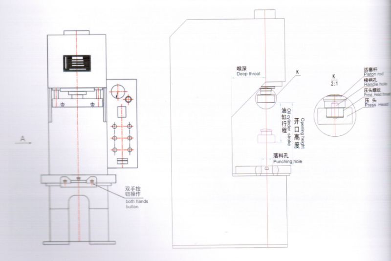
深喉C型按/液压机
型号:Y41-63
特征:
- 焊接机器框架,以减轻由炉中的内应力
- C类深喉咙
- 具有高刚性圆形导轨引导滑块的
- 滑块连接油缸的活塞杆与四个导向柱向上和向下移动。
- 附T开槽上工作的用于安装工具表和滑块。
- 一个活塞缸,以实现主压力
- 关闭油箱
- 压力过载等保护功能,对于小的影响液压系统
- 在机器的右独立电气柜
- 集中操作面板与工作指示灯
- 以调整和半自动操作
- 紧急停止按钮,可以在紧急情况下停机
- 随着速度变化点,可调节的顶部极限位置点和固定行程点,使机器寿命长接近开关。
- 顶部和中风的开关控制油缸的底部极限位置,以确保油缸的安全工作
主要技术参数
| 没有。 | 名称 | 单元 | 值 | |
| 1 | 公称压力 | 千牛 | 630 | |
| 2 | 流体工作压力 | MPA | 25 | |
| 3 | Max.opening高度 | 毫米 | 700 | |
| 4 | 滑块行程 | 毫米 | 500 | |
| 5 | 喉深 | 毫米 | 320 | |
| 6 | 拉姆速度 | 接近 | 毫米/秒 | 38 |
| 工作 | 毫米/秒 | 10 | ||
| 返回 | 毫米/秒 | 95 | ||
| 7 | 尺寸 工作表 | 前后 | 毫米 | 560 |
| 左右 | 毫米 | 580 | ||
| 8 | 桌子和地面之间的高度 | 毫米 | 650 | |
| 9 | 消隐孔直径 | 毫米 | 200 | |
| 10 | 电机功率 | 千瓦 | 7.5 | |
售后服务:
1.卖方已通过ISO9001质量体系认证,1997年以来,始终严格执行该品质
管理系统在我们公司和我们的产品。
前出厂价,所有产品都经过严格测试,均符合技术协议一致性和
标准。
2.保修是因为B / L,或重型机械的最后验收日期的日期一年。更长的保修期
可以通过用户购买。
3.调试:对于重型机械,卖家发送技师(电气液压和机械)
指导安装,设备后从7天测试和培训的操作员到45天
到达用户的工厂。但来回机票,当地住宿和津贴
(USD100 /人·天)在用户所在的国家将会由买方负担。以上收费不要
包含在报价。该条款将在合同中显示。
3.对于中小标准机械,它是根据操作手册,操作方便。用户
首先建议要仔细阅读使用说明书,然后启动机器。任何不清楚的问题,请随时
自由与卖家联系。
如果用户在使用时的工厂提供技术服务的坚持,请参考2号条款后,如售卖
服务。
4.卖方的所有产品均可以通过工厂交货数量进行跟踪。备件可以提供与前者相同,
这是为客户的特殊设计要求有帮助。
5.消耗部件可免费提供给顾客的从乙/ L日期一年内保修被供给,并且
长期的技术咨询服务。
6.常见故障可以通过电子邮件,电话和长途视频诊断来解决。用户必须提供充分
故障描述,清晰的照片和视频,如果可能的话。
一旦出现严重质量问题一年内到期的,因为出现了卖方的制造原因
乙/ L日期或重型机械的最后验收日期。卖方将派出自己的技术人员进行修复。
7.保修一年后,卖方将免费提供技术咨询和零配件及技术人员
以最低成本的服务。
深喉C型按/液压机
型号:Y41-63
特征:
- 焊接机器框架,以减轻由炉中的内应力
- C类深喉咙
- 具有高刚性圆形导轨引导滑块的
- 滑块连接油缸的活塞杆与四个导向柱向上和向下移动。
- 附T开槽上工作的用于安装工具表和滑块。
- 一个活塞缸,以实现主压力
- 关闭油箱
- 压力过载等保护功能,对于小的影响液压系统
- 在机器的右独立电气柜
- 集中操作面板与工作指示灯
- 以调整和半自动操作
- 紧急停止按钮,可以在紧急情况下停机
- 随着速度变化点,可调节的顶部极限位置点和固定行程点,使机器寿命长接近开关。
- 顶部和中风的开关控制油缸的底部极限位置,以确保油缸的安全工作
主要技术参数
| 没有。 | 名称 | 单元 | 值 | |
| 1 | 公称压力 | 千牛 | 630 | |
| 2 | 流体工作压力 | MPA | 25 | |
| 3 | Max.opening高度 | 毫米 | 700 | |
| 4 | 滑块行程 | 毫米 | 500 | |
| 5 | 喉深 | 毫米 | 320 | |
| 6 | 拉姆速度 | 接近 | 毫米/秒 | 38 |
| 工作 | 毫米/秒 | 10 | ||
| 返回 | 毫米/秒 | 95 | ||
| 7 | 尺寸 工作表 | 前后 | 毫米 | 560 |
| 左右 | 毫米 | 580 | ||
| 8 | 桌子和地面之间的高度 | 毫米 | 650 | |
| 9 | 消隐孔直径 | 毫米 | 200 | |
| 10 | 电机功率 | 千瓦 | 7.5 | |
售后服务:
1.卖方已通过ISO9001质量体系认证,1997年以来,始终严格执行该品质
管理系统在我们公司和我们的产品。
前出厂价,所有产品都经过严格测试,均符合技术协议一致性和
标准。
2.保修是因为B / L,或重型机械的最后验收日期的日期一年。更长的保修期
可以通过用户购买。
3.调试:对于重型机械,卖家发送技师(电气液压和机械)
指导安装,设备后从7天测试和培训的操作员到45天
到达用户的工厂。但来回机票,当地住宿和津贴
(USD100 /人·天)在用户所在的国家将会由买方负担。以上收费不要
包含在报价。该条款将在合同中显示。
3.对于中小标准机械,它是根据操作手册,操作方便。用户
首先建议要仔细阅读使用说明书,然后启动机器。任何不清楚的问题,请随时
自由与卖家联系。
如果用户在使用时的工厂提供技术服务的坚持,请参考2号条款后,如售卖
服务。
4.卖方的所有产品均可以通过工厂交货数量进行跟踪。备件可以提供与前者相同,
这是为客户的特殊设计要求有帮助。
5.消耗部件可免费提供给顾客的从乙/ L日期一年内保修被供给,并且
长期的技术咨询服务。
6.常见故障可以通过电子邮件,电话和长途视频诊断来解决。用户必须提供充分
故障描述,清晰的照片和视频,如果可能的话。
一旦出现严重质量问题一年内到期的,因为出现了卖方的制造原因
乙/ L日期或重型机械的最后验收日期。卖方将派出自己的技术人员进行修复。
7.保修一年后,卖方将免费提供技术咨询和零配件及技术人员
以最低成本的服务。